PWM-SR 由脉宽调制器和过零触发电路构成。它在电流电压零点附近触发可控硅导通,通过改变重复周期内可控硅导通的周波数,实现调功。由于可控硅在过零时导通,避免“污染”电网,减小了对负载和电源的冲击。PWM-SR 主要用在温控系统等,也可用于舞台灯光。

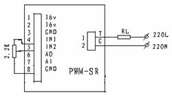
(图中外接的板用电源变压器次级为16V*2或18V*2,中心头接3#GND)
图一 单相调压

图二 (0-10mA)变送器自动调功
(图中外接的板用电源变压器次级为16V*2或18V*2,中心头接3#GND)

如0—5V输入,只用5#、8#脚即可。 (R9为510)

图三 (4-20mA)变送器
图四 功率扩展一
(R9为330)

图五 功率扩展二(0-10V输入)
(注意该应用与其它应用图不通用)
图六 三相调功
如果三相负载不平衡,可通过调节板上P3电位器,改变周期时间来实现平衡(出厂时周期时间是调成一样的)。