将1A与1B二个接点回路集成进一个DIP封装中的新型MOST继电器.追加通用系列产品

接点结构 |
端子种类 |
负载电压 |
型号 |
| 1a1b | 印刷电路板用端子 | AC350V峰值 | G3VM-355CR |
| G3VM-355C | |||
| G3VM-355FR | |||
| 表面安装端子 | G3VM-355F | ||
| G3VM-355FR(TR) | |||
| G3VM-355F(TR) |
* 负载电压(最大):表示峰值AC、DC
| 项目 | 符号 | 额定 | 单位 | 条件 | |
输入侧 |
LED正向电流 | IF | 50 | mA | |
| 反复峰值LED 正向电流 | IFP | 1 | A | 100µs脉冲、100pps | |
| 直流正向电流降低比率 | △IF/℃ | -0.5 | mA/℃ | Ta 25℃ | |
| LED反向电流 | VR | 5 | V | ||
| 粘合部位温度 | TJ | 125 | ℃ | ||
输出侧 |
输出耐压 | VOFF | 350 | V | |
| 连续负载电流 | IO | 120(100) | mA | ||
| 导通电流降低比率 | △ION/℃ | -1.2(-1) | mA/℃ | Ta 25℃ | |
| 粘合部位温度 | TJ | 125 | ℃ | ||
| 输入输出间耐压(注1) | VI-O | 2500 | Vrms | AC持续1分钟 | |
| 使用环境温度 | Ta | -40~+85 | ℃ | 不结冰、凝露 | |
| 贮藏温度 | Tstg | -55~+100 | ℃ | 不结冰、凝露 | |
| 焊接温度条件 | — | 260 | ℃ | 10s | |
(注1):测量输入输出间的耐压时,分别对LED针脚、受光侧针脚统一地施加电压。
| 项目 | 符号 | 最小 | 标准 | 最大 | 单位 | 条件 | |
输入侧 |
LED 正向电压 | VF | 1.0 | 1.15 | 1.3 | V | IF=10mA |
| 反向电流 | IR | — | — | 10 | µA | VR=5V | |
| 端子间电容 | CT | — | 30 | — | pF | V=0、f=1MHz | |
| 触发LED正向电流 | IFT | — | 1 | 3 | mA | La:IO=120mA | |
| lb:IOFF=10µA | |||||||
输出侧 |
最大输出导通电阻 | RON | — | 15(40) | 25(50) | Ω | La:IF=5mA、IO=120mA |
| Lb:IF=0mA、IO=120mA | |||||||
| 开路时漏电流 | ILEAK | — | — | 1.0 | µA | VOFF=350V | |
| 输入输出间电容 | CI-O | — | 0.8 | — | pF | f=1MHz、VS=0V | |
| 输入输出间电容绝缘电阻 | RI-O | 1000 | — | — | MΩ | VI-O=500VDC、ROH<=60% | |
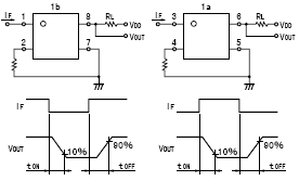
| 动作时间 | 1A | tON | — | 0.3 | 1.0 | ms | IF=5mA、RL=200Ω、VDD=20V(注2) |
| 1B | 0.25 | 1.0 | |||||
| 回复时间 | 1A | tOFF | — | 0.15 | 1.0 | ms | |
| 1B | 0.5 | 3.0(1) | |||||
注2:IF=5mA、RL=200Ω、VDD=20V 表示动作时间和复位时间

为了保证继电器的正确动作和复位,请在以下条件下使用。
| 项目 | 符号 | 最小 | 标准 | 最大 | 单位 |
| 输出耐压 | VDD | — | — | 280 | V |
| 动作LED正向电流 | IF | 5 | — | 25 | mA |
| 连续负载电流 | Io | — | — | 120(100) | mA |
| 动作温度 | Ta | -20 | — | 65 | ℃ |
( )内为G3VM-355C/G3VM-355F



