1极10A开关容量的小型功率继电器

|
标准型 |
|
|||||||||
|---|---|---|---|---|---|---|---|---|---|---|---|
| 耐助焊剂型 | 塑料密封型 | ||||||||||
| 型号 | 线圈额定电压(V) | 型号 | 线圈额定电压(V) | ||||||||
| 1a | G5Q-1A | DC 5 | G5Q-1A4 | DC 5 | 40个/杆装 | ||||||
| DC 9 | DC 9 | ||||||||||
| DC12 | DC12 | ||||||||||
| DC24 | DC24 | ||||||||||
| 1c | G5Q-1 | DC 5 | G5Q-14 | DC 5 | |||||||
| DC 9 | DC 9 | ||||||||||
| DC12 | DC12 | ||||||||||
| DC24 | DC24 | ||||||||||
|
额定电流 (mA) |
线圈电阻 (Ω) |
动作电压 (V) |
复位电压 (V) |
最大容许电压 (V) |
消耗功率 (mW) |
||||
|---|---|---|---|---|---|---|---|---|---|---|
| 1a | DC | 5 | 40 | 125 | 75%以下 | 5%以上 | 190% (23℃时) |
约200 | ||
| 9 | 22.2 | 405 | ||||||||
| 12 | 16.7 | 720 | ||||||||
| 24 | 8.3 | 2880 | ||||||||
| 1c | 5 | 80 | 63 | 约400 | ||||||
| 9 | 44.4 | 202 | ||||||||
| 12 | 33.3 | 360 | ||||||||
| 24 | 16.7 | 1440 | ||||||||
|
电阻负载 | |||
|---|---|---|---|---|
| 1a | 1c | |||
| 接触结构 | 单 | |||
| 接点材质 | Ag合金(无Cd材料) | |||
| 接定负载 | AC125V 10A | AC125V 10A(N.O.) AC125V 3A(N.C.) | ||
| AC125V 3A | AC125V 3A(N.O.) AC250V 3A(N.C.) | |||
| AC250V 3A | AC250V 3A(N.O.) DC 30V 3A(N.C.) | |||
| DC 30V 5A | DC 30V 5A(N.O.) | |||
| 额定通电电流 | 10A(N.O.)/3A(N.C.) | |||
| 接点电压最大值 | AC277V、 DC30V | |||
| 接点电流最大值 | AC:10A(N.O.)/3A(N.C.) DC:5A(N.O.)/3A(N.C.) |
|||
|
标准型 | |||
|---|---|---|---|---|
| 接触电阻 *1 | 100mΩ以下 | |||
| 动作时间 | 10ms以下 | |||
| 复位时间 | 5ms以下 | |||
| 绝缘电阻 *2 | 1,000MΩ以上 | |||
| 耐压 | 线圈和接点之间 | AC4,000V 50/60Hz 1min | ||
| 同极接点之间 | AC1,000V 50/60Hz 1min | |||
| 耐冲击电压 (线圈和接点之间) |
8kV(1.2×50μs) | |||
| 振动 | 耐久 | 10~55~10Hz 单振幅0.75mm(双振幅1.5mm) | ||
| 误动作 | 10~55~10Hz 单振幅0.75mm(双振幅1.5mm) | |||
| 冲击 | 耐久 | 1000m/s2 | ||
| 误动作 | 100m/s2 | |||
| 寿命 | 机械 | 1,000万次以上(开关频率18,000次/h) | ||
| 电气 | ·N.O.侧接点 AC125V 10A 电阻负载 5万次以上(开关频率 1秒ON-3秒OFF) AC125V 3A 电阻负载 20万次以上(开关频率 1秒ON-1秒OFF) AC250V 3A 电阻负载 10万次以上(开关频率 1秒ON-1秒OFF) DC 30V 5A 电阻负载 10万次以上(开关频率 1秒ON-1秒OFF) ·N.C.侧接点 AC125V 3A 电阻负载 20万次以上(开关频率 1秒ON-1秒OFF) AC250V 3A 电阻负载 10万次以上(开关频率 1秒ON-1秒OFF) DC 30V 3A 电阻负载 10万次以上(开关频率 1秒ON-1秒OFF) |
|||
| 故障率 P水准(参考值 *3) | DC5V 10mA | |||
| 使用环境温度 | -40~85℃(无结冰、无凝露) | |||
| 使用环境湿度 | 5~85%RH | |||
| 重量 | 约6.5g | |||
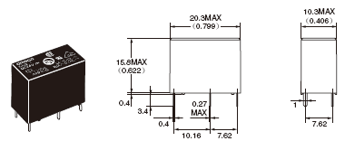
| 印刷基板加工尺寸(BOTTOM VIEW) 尺寸公差为±0.1mm。 |
端子配置/内部连接图(BOTTOM VIEW) | |
![]() |
![]() |
![]() |
| (无线圈极性) |
| 印刷基板加工尺寸(BOTTOM VIEW) 尺寸公差为±0.1mm。 |
端子配置/内部连接图(BOTTOM VIEW) | |
![]() |
![]() |
![]() |
| (无线圈极性) |