高容量、高耐压、密封构造,小型1a接点5A(8A)、1a1b、2a、2b接点5A的功率继电器
|
标准型(Ag合金(无Cd材料)) | AgSnIn接点型 | 最小包装单位 | ||||||||||
|---|---|---|---|---|---|---|---|---|---|---|---|---|---|
| 型号 | 线圈额定电压(V) | 型号 | 线圈额定电压(V) | ||||||||||
| 1 极 |
单稳型 | 1a接点 (标准型) |
G6B-1114P-US | DC5、6、12、24 | G6B-1114P-FD-US | DC5、6、12、24 | 100个/托盘 | ||||||
| DC5、6、12、24 | |||||||||||||
| 1a接点 (高容量型) |
G6B-1174P-US | DC5、6、12、24 | G6B-1174P-FD-US | DC5、6、12、24 | 20个/杆装 | ||||||||
| DC5、6、12 | |||||||||||||
| DC24 | |||||||||||||
| 1绕组闭锁型 | 1a接点 (标准型) |
G6BU-1114P-US | DC5、6、12、24 | G6BU-1114P-FD-US | DC5、6、12、24 | 100个/托盘 | |||||||
| 2绕组闭锁型 | 1a接点 (标准型) |
G6BK-1114P-US | DC5、6、12 | G6BK-1114P-FD-US | DC5、6、12 | ||||||||
| DC24 | DC24 | ||||||||||||
| 单稳型 | 1a接点 高容量动作 显示灯+二 极管内藏型 |
G6B-1177P-ND-US | DC5、12、24 | G6B-1177P-FD-ND-US | DC5、12、24 | 20个/杆装 | |||||||
| 2极 | 单稳型 | 1a1b接点 (标准型) |
G6B-2114P-US | DC5、6、12、24 | G6B-2114P-FD-US | DC5、6、12、24 | 100个/托盘 | ||||||
| 2a接点 (标准型) |
G6B-2214P-US | DC5、6、12、24 | G6B-2214P-FD-US | DC5、6、12、24 | |||||||||
| 2b接点 (标准型) |
G6B-2014P-US | DC5、6、12、24 | G6B-2014P-FD-US | DC5、6、12、24 | |||||||||
|
标准型(Ag合金(无Cd材料)) | AgSnIn接点型 | 最小包装单位 | ||||||||||
|---|---|---|---|---|---|---|---|---|---|---|---|---|---|
| 型号 | 线圈额定电压(V) | 型号 | 线圈额定电压(V) | ||||||||||
| 1极 | 单稳型 | 1a接点 (标准型) |
G6B-1114P-US-U | DC5、6、12、24 | G6B-1114P-FD-US | DC5、6、12、24 | 100个/托盘 | ||||||
| 1绕组闭锁型 | 1a接点 (标准型) |
G6BU-1114P-US-U | DC5、6、12、24 | ------- | ------- | ||||||||
| 2绕组闭锁型 | 1a接点 (标准型) |
G6BK-1114P-US-U | DC5、6、12、24 | G6BK-1114P-FD-US | DC5、6、12、24 | ||||||||
| 2极 | 单稳型 | 1a1b接点 (标准型) |
G6B-2114P-US-U | DC5、6、12、24 | G6B-2114P-FD-US-U | DC5、6、12、24 | |||||||
| 2a接点 (标准型) |
G6B-2214P-US-U | DC5、6、12、24 | G6B-2214P-FD-US-U | DC5、6、12、24 | |||||||||
| 2b接点 (标准型) |
G6B-2014P-US-U | DC5、6、12、24 | G6B-2014P-FD-US-U | DC5、6、12、24 | |||||||||
| 继电器型号 | 适用插座 | 最小包装单位 |
|---|---|---|
| G6B-1114P(-FD)-US-P6B G6B-1174P(-FD)-US-P6B G6B-1177P(-FD)-ND-US-P6B G6BU-1114P-US-P6B |
P6B-04P | 20个 |
| G6BK-1114P-US-P6B | P6B-06P | |
| G6B-2114P-US-P6B G6B-2214P-US-P6B G6B-2014P-US-P6B |
P6B-26P | |
| 脱卸配件 | P6B-Y1 | |
| 保持带 | P6B-C2 | 1个 |
|
额定电流 (mA) |
线圈电阻 (Ω) |
动作电压 (V) |
复位电压 (V) |
最大容许电压 (V) |
消耗功率 (mW) |
|||||
|---|---|---|---|---|---|---|---|---|---|---|---|
| DC | 5 | 40 | 125 | 70% 以下 |
10%以上 | 160% (at23℃) |
约200 | ||||
| 6 | 33.3 | 180 | |||||||||
| 12 | 16.7 | 720 | |||||||||
| 24 | 8.3 | 2.880 | |||||||||
|
额定电流 (mA) |
线圈电阻 (Ω) |
动作电压 (V) |
复位电压 (V) |
最大容许电压 (V) |
消耗功率 (mW) |
|||||
|---|---|---|---|---|---|---|---|---|---|---|---|
| DC | 5 | 50 | 83.3 | 80% 以下 |
10%以上 | 140% (at23℃) |
约300 | ||||
| 6 | 60 | 120 | |||||||||
| 12 | 25 | 480 | |||||||||
| 24 | 12.5 | 1,920 | |||||||||
|
额定电流 (mA) |
线圈电阻 (Ω) |
动作电压 (V) |
复位电压 (V) |
最大容许电压 (V) |
消耗功率 | ||||||
|---|---|---|---|---|---|---|---|---|---|---|---|---|
| 置位线圈 (mW) |
重置线圈 (mW) |
|||||||||||
| DC | 5 | 40 | 125 | 70% 以下 |
10%以上 | 160% (at23℃) |
200 | 200 | ||||
| 6 | 33.3 | 180 | ||||||||||
| 12 | 16.7 | 720 | ||||||||||
| 24 | 8.3 | 2.880 | ||||||||||
|
额定电流 (mA) |
线圈电阻 (Ω) |
置位电压 (V) |
重置电压 (V) |
最大容许电压 (V) |
消耗功率 | ||||||||
|---|---|---|---|---|---|---|---|---|---|---|---|---|---|---|
| 置位线圈 | 重置线圈 | 置位线圈 | 重置线圈 | 置位线圈 (mW) |
重置线圈 (mW) |
|||||||||
| DC | 5 | 56 | 56 | 89.2 | 89.2 | 70%以下 | 70%以下 | 130% (at23℃) |
280 | 280 | ||||
| 6 | 46.8 | 46.8 | 128.5 | 128.5 | ||||||||||
| 12 | 23.3 | 23.3 | 515 | 515 | ||||||||||
| 24 | 11.7 | 11.7 | 2,060 | 2,060 | ||||||||||
|
额定电流 (mA) |
线圈电阻 (Ω) |
动作电压 (V) |
复位电压 (V) |
最大容许电压 (V) |
消耗功率 (mW) |
|||||
|---|---|---|---|---|---|---|---|---|---|---|---|
| DC | 5 | 43 | 116 | 70%以下 | 10%以下 | 130% (at23℃) |
约200 | ||||
| 12 | 19.7 | 610 | 约240 | ||||||||
| 24 | 11.3 | 2,120 | 约275 | ||||||||
|
G6B-1114P-US G6BU-1114P-US G6BK-1114P-US G6B-1114P-FD-US G6BU-1114P-FD-US G6BK-1114P-FD-US |
G6B-1174P-US G6B-1177P-ND-US G6B-1174P-FD-US G6B-1177P-FD-ND-US |
G6B-2114P-US G6B-2214P-US G6B-2014P-US G6B-2114P-FD-US G6B-2214P-FD-US G6B-2014P-FD-US |
|||||||
|---|---|---|---|---|---|---|---|---|---|---|
| 电阻负载 | 感性负载 (cosφ=0.4、L/R=7ms) |
电阻负载 | 感性负载 (cosφ=0.4、L/R=7ms) |
电阻负载 | 感性负载 (cosφ=0.4、L/R=7ms) |
|||||
| 接触结构 | 单 | |||||||||
| 接点材质 | Ag合金(无Cd材料) | |||||||||
| 额定负载 | AC250V 5A(3A) DC 30V 5A(3A) |
AC250V 2A(2A) DC 30V 2A(2A) |
AC250V 8A(5A) DC 30V 8A(5A) |
AC250V 2A(2A) DC 30V 2A(2A) |
AC250V 5A(3A) DC 30V 5A(3A) |
AC250V 1.5A(1.5A) DC 30V 1.5A(1.5A) |
||||
| 额定通电电流 | 5A(5A) | 8A(5A) | 5A(5A) | |||||||
| 接点电压的最大值 | AC380V、DC125V | |||||||||
| 接点电流的最大值 | 5A(5A) | 8A(5A) | 5A(5A) | |||||||
|
G6B-1114P-US G6B-1114P-FD-US G6B-1174P-US G6B-1174P-FD-US |
G6BU-1114P-US | G6BK-1114P-US | G6B-1177P(-FD)-ND-US | G6B-2114P-US G6B-2214P-US G6B-2214P-FD-US G6B-2014P-US G6B-2014P-FD-US |
|||||
|---|---|---|---|---|---|---|---|---|---|---|
| 单稳型 | 1绕组闭锁型 | 2绕组闭锁型 | 动作显示灯+浪涌吸收用 二极管内藏型 |
单稳型 | ||||||
| 接触电阻*1 | 30mΩ以下 | |||||||||
| 动作(置位)时间*2 | 10ms以下(约3ms) | 10ms以下(约3ms) | 10ms以下(约4ms) | |||||||
| 复位(重置)时间*2 | 10ms以下(约1ms) | 10ms以下(约3ms) | 10ms以下(约4ms) | 10ms以下(约2ms) | ||||||
| 最小置位脉冲宽度 | — | 15ms (at23℃) | — | |||||||
| 最小复位脉冲宽度 | — | 15ms (at23℃) | — | |||||||
| 绝缘电阻*3 | 1,000M以上 | |||||||||
| 耐压 | 线圈与接点间 | AC3,000V 50/60Hz 1min | AC2,000V 50/60Hz 1min | AC3,000V 50/60Hz 1min | ||||||
| 同极接点间 | AC1,000V 50/60Hz 1min | |||||||||
| 异极接点间 | — | AC2,000V 50/60Hz 1min | ||||||||
| 置位与复位 线圈间 |
— | AC250V 50/60Hz 1min | — | |||||||
| 耐冲击电压 (线圈接点间) |
6kV 1.2×50μs | 4.5kV 1.2×50μs | 6kV 1.2×50μs | |||||||
| 振动 | 耐久 | 10~55~10Hz 单振幅0.75mm(双振幅1.5mm) | ||||||||
| 误动作 | 10~55~10Hz 单振幅0.75mm(双振幅1.5mm) | |||||||||
| 冲击 | 耐久 | 1,000m/s2 | ||||||||
| 误动作 | 100m/s2 | 300m/s2 | 100m/s2 | |||||||
| 寿命 | 机械 | 5,000万次以上(开关频率18,000次/h) | ||||||||
| 电气 | 10万次以上(额定负载 开关频率1,800次/h) | |||||||||
| 故障率P水准 (参考值*4) |
DC5V 10mA | |||||||||
| 使用环境温度 | -25~+70℃(无结冰、无凝露) | |||||||||
| 使用环境湿度 | 5~85%RH | |||||||||
| 重量 | 约3.5~4.6g | 约3.5g | 约3.7g | 约5.4g | 约4.5g | |||||
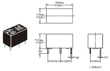
![]() |
![]() |
![]() 注.请注意线圈极性 注 :表示为商品方向指示标志。 |
| 印刷基板加工尺寸(BOTTOM VIEW) 尺寸公差±0.1mm。 |
端子配置/内部连接图 (BOTTOM VIEW) |
![]() |
![]() |
![]() 注.请注意线圈极性 注. 表示为商品方向指示标志。 |
| 印刷基板加工尺寸(BOTTOM VIEW) 尺寸公差±0.1mm。 |
端子配置/内部连接图 (BOTTOM VIEW) |
![]() |
![]() |
![]() 注.请注意线圈极性 S:置位线圈 R:重置线圈 |
| 印刷基板加工尺寸(BOTTOM VIEW) 尺寸公差±0.1mm。 |
端子配置/内部连接图(BOTTOM VIEW) |
![]() |
![]() |
![]() 注.请注意线圈极性 S:置位线圈 R:重置线圈 注: 表示为商品方向指示标志。 |
| 印刷基板加工尺寸(BOTTOM VIEW) 尺寸公差±0.1mm。 |
端子配置/内部连接图(BOTTOM VIEW) |
![]() |
![]() 注.图为G6B-1177P(-FD)-ND-US是耐助焊剂构造 所以不能水洗发光二极管孔浪涌吸收二极管内藏。请充分注意线圈极性。 |
注.请注意线圈极性 |
| 印刷基板加工尺寸(BOTTOM VIEW) 尺寸公差±0.1mm。 |
端子配置/内部连接图(BOTTOM VIEW) |
![]() |
![]() |
![]() 注.请注意线圈极性 |
| 印刷基板加工尺寸(BOTTOM VIEW) 尺寸公差±0.1mm。 |
端子配置/内部连接图(BOTTOM VIEW) |
![]() |
![]() |
| 印刷基板加工尺寸(BOTTOM VIEW) 尺寸公差±0.1mm。 |
![]() |
![]() |
| 印刷基板加工尺寸(BOTTOM VIEW) 尺寸公差±0.1mm。 |
![]() |
![]() |
| 印刷基板加工尺寸(BOTTOM VIEW) 尺寸公差±0.1mm。 |