用于PC板或表面安装的小巧、低消耗30A功率继电器

| 类别 | 接点规格 | 保护结构 | 最小包装单位 | ||||||
| 打开 | 开户 | 完全密封 | |||||||
| 安装类型 | 端子 | 型号 | 电压规格 | 型号 | 电压规格 | 型号 | 电压规格 | ||
| PCB安装 | PCB | 1a | G8P-1AP | DC5、9、12、24 | G8P-1A2P | DC5、12、24、48 | G8P-1A4P | DC5、9、12、24、48 | 50个/托盘 |
| 1c | G8P-1CP | DC12、24、48 | G8P-1C2P | DC12、24 | G8P-1C4P | DC5、9、12、24、48 | |||
| 接线片和PCB | 1a | G8P-1ATP | DC12、24 | —— | —— | G8P-1A4TP | DC5、9、12、24 | ||
| 1c | G8P-1CTP | DC12、24 | —— | —— | G8P-1C4TP | DC5、9、12、24、48 | |||
| 安装盘 | 接线片 | 1a | —— | —— | G8P-1A2T-F | DC5、12、24、48 | —— | —— | |
| 1c | —— | —— | G8P-1C2T-F | DC5、12、24、48 | —— | —— | |||
| 额定电压 | DC 5V | DC 9V | DC 12V | DC 24V | DC 48V | DC 110V |
|---|---|---|---|---|---|---|
| 额定电流 | 185 mA | 93 mA | 77 mA | 36 mA | 19 mA | 9 mA |
| 线圈电阻 | 27Ω | 97Ω | 155Ω | 660Ω | 2,480Ω | 12,400Ω |
| 必要动作电压 | 额定电压75%以下 | |||||
| 必要复位电压 | 额定电压10%以上 | |||||
| 电压最大值 | 额定电压120% | |||||
| 功率消耗 | 约900 mW | |||||
| 项目 | 1a | 1c |
|---|---|---|
| 负载 | 阻性负载 (cosφ=1) | |
| 额定负载 | AC 250 V 30 A ; DC 28 V 20 A |
AC 250 V 20 A/10 A* ; DC 28 V 20 A/10 A* |
| 接点材料 | Ag Alloy 银合金 | |
| 额定通电电流 | 30 A | 20 A/10 A* |
| 接点电压的最大值 | AC 250 V, DC 28 V | |
| 接点电流的最大值 | AC: 30 A, DC: 20 A | AC: 20 A/10 A, DC: 20 A/10 A* |
| 开关容量的最大值 | 7,500 VA, 560 W | 5,000/2,500 VA, 560/280 W* |
| 接触电阻 | 100 mΩ以下 |
|---|---|
| 动作时间 | 15 ms 以下 |
| 复位时间 | 10 ms 以下 |
| 操作频率最大值 | 机械:18,000次/h 电气: 360次/h (额定负载下) |
| 绝缘电阻 | 100 MΩ以上 (DC 500V) |
| 绝缘强度 | 线圈和接点之间 AC 2,500V, 50/60 Hz 1 min 同极接点之间AC 1,500V, 50/60 Hz 1 min |
| 耐压 | 线圈和接点之间 6,000V (1.2/50 μs) |
| 振动 | 误动作:10~55~10 Hz, 单振幅0.825 mm ( 双振幅1.65 mm) 2 小时 耐久:10~55~10 Hz, 单振幅0.825 mm ( 双振幅1.65 mm)5 分钟 |
| 冲击 | 误动作:1,000m/s2 (约100G) 耐久:100 m/s2 (约 10G) |
| 寿命 | 机械: 100,000次以上 (平均值) *开关频率:360次/小时,如产品为密封型,需打开密封孔 |
| 使用环境温度 | 操作:冷启动状态:-55°C~+105°C ( 不结冰) 热启动状态:-55°C~+85°C |
| 使用环境湿度 | 操作: 5%~85% |
| 重量 | G8P-1CP: 约21 g, G8P-1CTP: 约24 g G8P-1C4P: 约28 g, G8P-1C4TP: 约31 g |
![]() |
![]() *注:针脚#4在G8P-1AP上被忽略。 |
![]() |
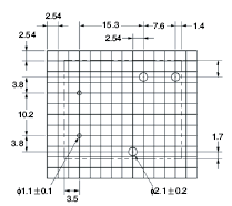
| 安装孔加工尺寸(BOTTOM VIEW) | 端子排列/外部接口 (BOTTOM VIEW) |
![]() |
![]() *注:针脚#4在G8P-1ATP上被忽略。 |
![]() |
| 安装孔加工尺寸(BOTTOM VIEW) | 端子排列/外部接口(BOTTOM VIEW) |
![]() |
![]() *注:针脚#4在G8P-1A4P/1A2P上被忽略。 |
![]() |
| 安装孔加工尺寸(BOTTOM VIEW) | 端子排列/外部接口(BOTTOM VIEW) |
![]() |
![]() *注:针脚#4在G8P-1A4TP/1A2TP上被忽略。 |
![]() |
| 安装孔加工尺寸(BOTTOM VIEW) | 端子排列/外部接口(BOTTOM VIEW) |
![]() |
![]() *注:针脚#4在G8P-1A2T-F上被忽略。 注:在完成焊接和清洗之后移去盖上的尖端,可使密封型G8P中的空气循环。 |
![]() |
| 安装孔加工尺寸(BOTTOM VIEW) | 端子排列/外部接口(BOTTOM VIEW) |