能中断高电压、高电流负载的DC功率继电器
一款可以切换400 V,60 A DC负载的小型继电器(73 x 36 x 67.2| 种类 | 端子 | 极数接点结构 | 额定线圈电压 | 型号 | |
|---|---|---|---|---|---|
| 线圈端子 | 接点端子 | ||||
| 切换/导电型 | 螺丝端子*2 | 螺丝端子*1 | 1a | DC12V DC24V DC48V DC60V DC100V |
G9EA-1-B |
| 导线 | G9EA-1 | ||||
| 高导电型 | 螺丝端子*2 | G9EA-1-B-CA | |||
| 导线 | G9EA-1-CA | ||||
|
额定电流 (mA) |
线圈电阻 (Ω) |
操作电压 (V) |
释放电压 (V) |
最大容许电压 (V) |
消耗功率 | |||
|---|---|---|---|---|---|---|---|---|---|
| DC | 12 | 417 | 28.8 | 额定电压的130% (23℃10分钟 内) |
约5 | ||||
| 24 | 208 | 115.2 | |||||||
| 48 | 102 | 469.3 | |||||||
| 60 | 86.2 | 695.7 | 约5.2 | ||||||
| 100 | 53.6 | 1864 | 约5.4 | ||||||
| 项目 | 阻性负载 | |
|---|---|---|
| G9EA-1 (-B) | G9EA-1 (-B)-CA | |
| 额定负载 | DC400V 60A、DC120V 100A | DC400V 30A |
| 额定携带电流 | 60A | 100A |
| 最大切换电压 | 400V | 400V |
| 最大切换电流 | 100A | 30A |
| 项目 | G9EA-1(-B) | G9EA-1(-B)-CA | |
|---|---|---|---|
| 接触电阻*1 | 30 mΩ以下(典型为0.6 mΩ) | 10 mΩ以下(典型为0.3 mΩ) | |
| 接触压降 | 0.1 V以下(承载电流60 A时) | 0.1 V以下(承载电流100 A时) | |
| 动作时间 | 50ms以下 | ||
| 复位时间 | 30ms以下 | ||
| 绝缘强度*2 | 线圈和接点之间 | 1,000MΩ以上 | |
| 同极性接点之间 | 1,000MΩ以上 | ||
| 耐压 | 线圈和接点之间 | AC2,500V 1min | |
| 同极性接点之间 | AC2,500V 1min | ||
| 耐冲击电压*3 | 4,500V | ||
| 振动 | 耐久 | 10~55~10Hz 单振幅0.75mm(加速度 : 2.94~88.9m/s2) | |
| 误动作 | 10~55~10Hz 单振幅0.75mm(加速度 : 2.94~88.9m/s2) | ||
| 冲击 | 耐久 | 490m/s2 | |
| 误动作 | 196m/s2 | ||
| 机械寿命*4 | 20万次以上 | ||
| 电气寿命(阻性负载)*5 | DC120V 100A 3,000次以上 | DC400V 30A 1,000次以上 | |
| DC400V 60A 3,000次以上 | DC120V 30A 2,500次以上 | ||
| DC400V 30A 30,000次以上 | - | ||
| 短期携带电流 | 100A(10min) | 150A(10min) | |
| 最大切断电流 | DC300V 600A(5次) | - | |
| 过载切断 | DC400V 180A (100次以上) | DC120V 100A (150次以上) | |
| 反向极性切断 | DC200V -60A (1,000次以上) | - | |
| 使用环境温度 | -40~+70℃(无结冰、无凝露) | ||
| 使用环境湿度 | 5~85%RH | ||
| 重量 | 约310g | ||
![]() |
![]() |
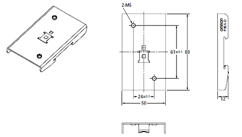
![]() 注:必须以正确的极性来连接端子。线圈没有极性。 安装孔尺寸(顶视图) |
| 端子排布/内部连接 (TOP VIEW)) |
| 尺寸(mm) | 公差(mm) |
|---|---|
![]() |
![]() |
![]() 注:必须以正确极性连接端子,线圈没有极性。 |
| 端子排布/内部连接(顶视图) |
![]() 注:安装端子盖之前,必须先取下线 路出口方向上的线路断路器。 |
| 尺寸(mm) | 公差(mm) |
|---|---|
![]() |
| 尺寸(mm) | 公差(mm) |
|---|---|