AD1888: Low Cost 6 Channel AC' 97 Audio Codec
The AD1888 is used to add analog and digital audio capabilities to computer motherboards by connecting directly to the core logic chipset. By reusing existing system resources, this solution adds flexibilty, improves sound quality, and lowers the system BOM cost by integrating components.
AD1888 特点
- Flexible OS Support
- Integrated AC'97 controller
- Low risk vendor selection and source of supply
- Fast time to market
- Improved 5.1 surround sound w/jack sensing speaker performance
- BOM cost savings, more flexibilty and better audio quality
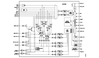
AD1888 功能框图

AD1888 应用技术支持与电子电路设计开发资源下载
- AD1888 数据手册DataSheet 下载 . PDF
- ADI 模拟器件公司比较器产品选型指南 . PDF
- Analog Devices, Inc. 美国模拟器件公司产品订购手册 .PDF