AD7329: 1 MSPS、8通道、软件可选的真双极性输入、12位(带符号位)A/D转换器
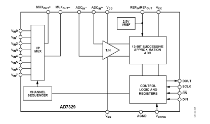
AD7329 是一款8通道、12位带符号位的逐次逼近型ADC。该ADC配有一个高速串行接口,最高呑吐量可达1 MSPS,还配有另一个高速串行接口,最高呑吐量可达250 kSPS。AD7329 可输入真双极性模拟信号,它有四种软件可选范围:±10V、±5V、±2.5V和0至10V。各模拟输入通道均支持独立编程,通过设定范围寄存器中的相应位即可设为四个输入范围之一。模拟输入通道可配置为单端、全差分或伪差分三种模式之一。模拟输入则通过专门的控制寄存器位进行配置。
该ADC内置一个2.5 V的基准电压,也可采用外部基准。如果在REFIN/OUT 引脚上施加3V外部基准电压,该ADC则可处理±12V真双极性模拟输入范围。对于此±12V输入范围,需采用±12V的VDD和VSS电源。AD7329配有多路复用器输出引脚和ADC输入引脚。通过这些引脚,必要时,用户可在多路复用器和ADC之间插入缓冲器、差分放大器或抗混叠滤波器,这就意味着,AD7329中的全部八个模拟输入只需要一个驱动器。AD7329支持多种省电模式,可通过减少呑吐量降低功耗水平。
AD7329 特点
- 12位带符号位SAR ADC
- 接受真双极性模拟输入
- 软件可选输入范围:±10V, ±5V, ±2.5V, 0 至10 V
- 八个带通道序列器的模拟输入通道
- 支持单端、真差分和伪差分模拟输入三种模式
- 高阻抗模拟输入
- 低功耗:21 mW
- 高速串行接口:SPI/QSPI/MICROWIRE兼容
- MuxOUT 和ADCIN引脚支持独立访问Mux和ADC
- iCMOS™ 工艺技术
- 24引脚TSSOP封装
AD7329 技术指标
- Resolution (Bits): 13bit
- # Chan: 8
- Sample Rate: 1MSPS
- Interface: Ser,SPI
- Analog Input Type: Diff-Bip,Diff-Uni,SE-Uni
- Ain Range: Bip (Vref),Bip (Vref) x 2,Bip (Vref) x 4,Bip 10V,Bip 2.5V,Bip 5.0V,Uni (Vref),Uni 10V
- ADC Architecture: SAR
- Pkg Type: SO
AD7329 建议配套产品
- 推荐AD7329使用的输入缓冲放大器
- 推荐AD7329使用的外部基准电压源
- 推荐电源解决方案
- 欲选择电压调节器产品,请使用ADIsimPower。
- 欲选择电源监控器产品,请使用电源监控器参数搜索。
AD7329 亮点
- AD7329可输入真双极性模拟信号,±10V、±5V、±2.5V和0至10V单极信号。
- 八个模拟输入可配置为8个单端输入、4个真差分输入、4个伪差分输入或7个伪差分输入。
- SPI/QSPI/DSP/MICROWIRE 兼容接口。
- 低功耗:TBD
- 通道序列器
AD7329 功能框图
AD7329 芯片订购指南
| 产品型号 |
产品状态 |
封装 |
Pins |
报价*
(1000 pcs.) |
| AD7329BRUZ |
Prodn |
24 ld TSSOP |
24 |
$ 6.33 |
| AD7329BRUZ-REEL |
Prodn |
24 ld TSSOP |
24 |
$ 6.33 |
| AD7329BRUZ-REEL7 |
Prodn |
24 ld TSSOP |
24 |
$ 6.33 |
| EVAL-AD7329CBZ |
Prodn |
EVALUATION BOARDS |
- |
$ 151.80 |
AD7329 应用技术支持与电子电路设计开发资源下载
- AD7329 数据手册DataSheet下载 .PDF
- Analog Devices, Inc.ADI 美国模拟器件公司产品订购手册 .PDF
- ADC模数转换器选型指南.PDF