AD8146/AD8147/AD8148均为三路、高速、差分或单端输入至差分输出驱动器。AD8146和AD8147具有固定增益2,AD8148具有固定增益4。三款器件均专为最高分辨率分量视频信号而设计,但也可用于在5类UTP电缆或差分印刷电路板(PCB)传输线路上传输任何类型的模拟信号或高速数据。
这些器件可以配合三路差分至单端接收器AD8145和交叉点开关AD8117使用,以便获得能够支持UXGA或1080p信号的视频分配系统。
这些驱动器采用ADI公司的第二代XFCB双极性工艺制造,具有700 MHz大信号带宽和快速压摆率。三者均具有内部共模反馈特性,在50 MHz时可提供于-60 dB达成的输出振幅和相位匹配平衡,能够抑制偶数阶谐波并使辐射电磁干扰(EMI)降至最小。
AD8146输出的共模电压可以设置为任何电平,以便在共模电压上传输信号。AD8147和AD8148可在输出的共模电压下对垂直和水平同步信号进行编码。所有输出均可独立地设置为低压状态,以便配合串联二极管进行线路隔离,方便在同一双绞线电缆上进行差分多路复用。
AD8146/AD8147/AD8148采用24引脚LFCSP封装,工作温度范围为-40°C至+85°C。

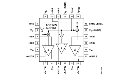
AD8148 功能框图
| -3 dB BW (MHz) | 700MHz | Disable | X |
| 0.1 dB Flatness (MHz) | 235 | Pos Supply | +4.5V to ±5.5V |
| Minimum Gain (Acl) | 2 | Supply Current | 61.5mA |
| Slew Rate (V/us) | 3000V/us | Package | 24-Lead LFCSP |
| 产品型号 | 产品状态 | 封装 | 引脚 | 温度范围 |
|---|---|---|---|---|
| AD8148ACPZ-R2 | 量产 | 24 ld LFCSP (4x4mm w/2.10mm EP) | 24 | 工业 |
| AD8148ACPZ-R7 | 量产 | 24 ld LFCSP (4x4mm w/2.10mm EP) | 24 | 工业 |
| AD8148ACPZ-RL | 量产 | 24 ld LFCSP (4x4mm w/2.10mm EP) | 24 | 工业 |