首页 > ADI 模拟器件公司 > 开关和多路复用器 > 多路复用器

AD8184: 700 MHz, 5 mA, 4-to-1, Buffered Video Multiplexer

The AD8184 is a high speed 4-to-1 multiplexer. It offers -3 dB signal bandwidth of 700 MHz along with a slew rate of 750 V/us. With 88 dB of crosstalk and 109 dB isolation, it is useful in many high speed applications. The differential gain and differential phase error of 0.01% and 0.01°, along with 0.1 dB flatness of 75 MHz, make AD8184 ideal for professional video multiplexing. It offers 5 ns switching time, making it an excellent choice for pixel switching (picture-in-picture) while consuming less than 4.4 mA on ±5 V supply voltage.

The AD8184 offers a high speed disable feature allowing the output to be put into a high impedance state. This allows multiple outputs to be connected together for cascading stages while the "OFF" channels do not load the output bus. It operates on voltage supplies of ±5 V and is offered in 14-lead PDIP and SOIC packages.

An evaluation board is available for this product and may be ordered using the following product number: AD8184-EB. Schematic and layout for this evaluation board is contained in the product datasheet.

AD8184 特点
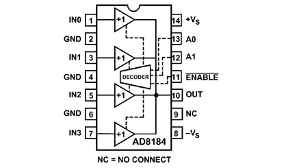
AD8184 功能框图

AD8184 芯片订购指南
产品型号 产品状态 封装 引脚 温度范围
AD8184-EB 量产 Evaluation Boards - 商业
AD8184ANZ 量产 14 ld PDIP 14 工业
AD8184AR 量产 14 ld PDIP 14 工业
AD8184AR-REEL 量产 14 ld SOIC 14 工业
AD8184AR-REEL7 量产 14 ld SOIC 14 工业
AD8184ARZ 量产 14 ld SOIC 14 工业
AD8184ARZ-REEL 量产 14 ld SOIC 14 工业
AD8184ARZ-REEL7 量产 14 ld SOIC 14 工业
AD8184 应用技术支持与电子电路设计开发资源下载
  1. AD8184 数据手册DataSheet 下载 . PDF
  2. ADI 模拟器件公司比较器产品选型指南 . PDF
  3. Analog Devices, Inc. 美国模拟器件公司产品订购手册 .PDF