首页 > ADI 模拟器件公司 > 时钟和定时IC > PLL频率合成器和VCO

ADF4360-6: Integrated Integer-N Synthesizer and VCO - Output Frequency 1050 to 1250

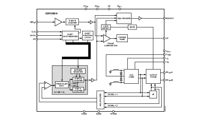
The ADF4360-6 is a fully integrated integer-N synthesizer and voltage controlled oscillator (VCO). The ADF4360-6 is designed for a center frequency of 2250 MHz. In addition, there is a divide-by-2 option available, whereby the user gets an RF output of between 1025 MHz and 1225 MHz. Control of all the on-chip registers is through a simple 3-wire interface. The device operates with a power supply ranging from 3.0 V to 3.6 V and can be powered down when not in use.

ADF4360-6 特点
ADF4360-6 功能框图

ADF4360-6 芯片订购指南
产品型号 产品状态 封装 引脚 温度范围
ADF4360-6BCP 量产 24 ld LFCSP (4x4mm w/2.30mm EP) 24 工业
ADF4360-6BCPRL 量产 24 ld LFCSP (4x4mm w/2.30mm EP) 24 工业
ADF4360-6BCPRL7 量产 24 ld LFCSP (4x4mm w/2.30mm EP) 24 工业
ADF4360-6BCPZ 量产 24 ld LFCSP (4x4mm w/2.30mm EP) 24 工业
ADF4360-6BCPZRL 量产 24 ld LFCSP (4x4mm w/2.30mm EP) 24 工业
ADF4360-6BCPZRL7 量产 24 ld LFCSP (4x4mm w/2.30mm EP) 24 工业
EVAL-ADF4360-6EBZ1 量产 评估板 24 工业
ADF4360-6 应用技术支持与电子电路设计开发资源下载
  1. ADF4360-6 数据手册DataSheet 下载 . PDF
  2. ADI 模拟器件公司比较器产品选型指南 . PDF
  3. Analog Devices, Inc. 美国模拟器件公司产品订购手册 .PDF
  4. 时钟和定时IC产品介绍 . PDF