EVAL-ADAV4601EBZ: 高级电视音频处理器
ADAV4601是一款用于高级电视应用的增强型音频处理器,全面支持数字和模拟基带音频。
在默认情况下,音频处理器可提供从任一输入到任一输出的全矩阵切换的专用电视音频流;用于在插播广告或切换频道时补偿音量变化的自动音量控制;动态低音调节、多频带均衡器;以及用于音/视频同步的高达200 ms的立体声延迟存储器。
同时,ADI公司提供获奖的图形化编程工具(SigmaStudio™),允许定制流的快速开发与评估。该工具可生成用户专用的音频流,包括使用ADI第三方算法库。
模拟I/O集成了ADI公司特有的连续的、多比特∑-Δ架构,为高级电视系统带来更高级的性能,满足第三方算法供应商进行系统商标认证所需。模拟输入由95 dB动态范围(DNR)的ADC提供,模拟输出则由95 dB动态范围(DNR)的DAC提供。
主扬声器输出作为数字调制PWM流提供给数字放大器。
ADAV4601包括多通道数字输入与输出。此外,数字输入通道可以通过内置采样速率转换器(SRC)传输,内置SRC支持从5 kHz到50 kHz的任意采样速率。
产品应用领域 Applications
- 通用消费类音频后处理
- 家庭音频
- DVD录像机
- 家庭影院(HTIB)系统与DVD接收机
- 用于DTV-ready电视的音频处理子系统
- 用于iDTV的模拟广播能力
EVAL-ADAV4601EBZ 特点
- 用于高级电视音响的完全可编程28-bit音频处理器,在复位时可以加载缺省音频流
- 实现ADI公司和第三方音频算法
- 用于音/视频同步的可调节数字延迟线,高达200 ms的立体声延迟
- 高性能24-bit ADC和DAC
DAC通道上的94 dB DNR性能
ADC通道上的95 dB DNR性能
- 具有集成放大器的耳机输出
- 高性能脉宽调制(PWM)数字输出
- 快速I²C控制
- 工作电源电压3.3 V(模拟)、1.8 V(数字核心)和3.3 V(数字接口)
- 采用80引脚LQFP封装
多通道数字基带I/O
- 4路立体声同步数字I2S输入通道
- 一个6通道采样速率转换器(SRC)和一个立体声SRC,支持5 kHz~50 kHz的输入采样速率
- 一路立体声同步数字I2S输出
- S/PDIF输出,具有S/PDIF输入多路复用能力
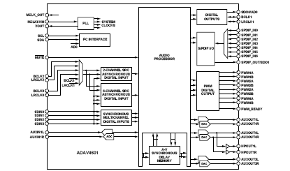
EVAL-ADAV4601EBZ 功能框图

ADAV4601 芯片订购指南
EVAL-ADAV4601EBZ 应用技术支持与电子电路设计开发资源下载
- ADAV4601 数据手册DataSheet 下载 . PDF
- ADI 模拟器件公司比较器产品选型指南 . PDF
- Analog Devices, Inc. 美国模拟器件公司产品订购手册 .PDF