5416 / 7416 典型参数:tpd=10.0ns

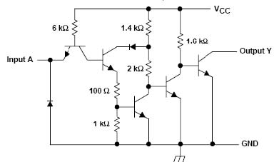
逻辑符号: 逻辑式: Y =A外引线排列图:


功能表
| 输入 | 输出 |
| A | Y |
| H | L |
| L | H |
H=高电平 L=低电平
推荐工作条件
| 符号 | 参数名称 | 7416 | 5416 | 单位 | ||||
|---|---|---|---|---|---|---|---|---|
| 最小 | 典型 | 最大 | 最小 | 典型 | 最大 | |||
| Vcc | 电源电压 | 4.75 | 5 | 5.25 | 4.5 | 5 | 5.5 | V |
| VIH | 输入高电平电压 | 2 | 2 | V | ||||
| VIL | 输入低电平电压 | 0.8 | 0.8 | V | ||||
| VOH | 输出高电平电压 | 15 | 15 | V | ||||
| IOL | 输出低电平电流 | 40 | 30 | mA | ||||
| TA | 工作环境温度 | -40 | 85 | -55 | 125 | ℃ | ||
电 性 能:(除特别说明外,均为全温度范围)
| 符号 | 参数名称 | 测试条件 | 74Ⅱ | 54 | 单位 | |||||
|---|---|---|---|---|---|---|---|---|---|---|
| 最小 | 典型 | 最大 | 最小 | 典型 | 最大 | |||||
| VIK | 输入钳位电压 | Vcc=最小 II=-12mA | -1.5 | -1.5 | V | |||||
| IOH | 输出高电平电流 | Vcc=最小 VI L=最大 VOH =最大 | 250 | 250 | μA | |||||
| VOL | 输出低电平电压 | Vcc=最小 VIH=2V | IOL=16mA | 0.4 | 0.4 | V | ||||
| IOL=最大 | 0.7 | 0.7 | ||||||||
| II | 输入电流 (最大输入电压时 ) | Vcc=最大 VI=7V | 1.0 | 1.0 | mA | |||||
| IIH | 输入高电平电流 | Vcc=最大 VI=2.4V | 40 | 40 | μA | |||||
| IIL | 输入低电平电流 | Vcc=最大 VI=0.4V | -1.6 | -1.6 | mA | |||||
| ICCH | 高电平电源电流 | Vcc=最大 VI=0V | 48 | 30 | 48 | mA | ||||
| ICCL | 低电平电源电流 | Vcc=最大 VI=4.5V | 51 | 32 | 51 | mA | ||||
注:所有典型值均在 Vcc=5.0V, TA=25℃下测量得出。交流(开关)参数:Vcc=5.0V, TA=25℃
| 符号 | 参数名称 | 从(输入) | 到(输出) | 测试条件 | 参数值 | 单位 | ||
|---|---|---|---|---|---|---|---|---|
| 最小 | 典型 | 最大 | ||||||
| tPLH | 传输延迟 | A | Y | 10 | 15 | ns | ||
| tPHL | 传输延迟 | A | Y | CL=15pF RL=110Ω | 15 | 23 | ns | |