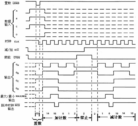
本电路复杂程度为 58个等效门,是同步可逆四位二进制计数器。本电路通过同时触发所有触发器而提供同步操作,以便在使用控制逻辑结构时,输出端的变化可相互吻合。本工作方式避免了一般用异步(行波时钟)计数器所带来的计数输出的尖峰脉冲。
若使能输入端置低电平,四个主从触发器的输出将在时钟输入从低到高的跳变中被触发。使能输入端置高电平时,禁止计数。仅当时钟输入端是高电平时,使能输入端才能有电平变化。当可逆(
)输入端处于低电平时,进行加计数,当可逆(
)输入端处于高电平时,进行减计数。仅当时钟输入是高电平时,可逆输入才能有电平变化。
这种计数器是可编程序的,即可通过将置数输入置于低电平并在数据输入端送入所需数据而将输出端预置到任一电平。输出随数据输入而变,不受时钟输入电平的影响。根据这一特点,用置数输入将计数长度略加改变便可将计数器作模—N除法器使用。
时钟、加/减和置数输入都加了缓冲器,从而大大降低驱动要求。
为便于进行级联,采用了两个输出:脉冲时钟输出和最大/最小计数输出。当计数器发生溢出或下溢时,后一输出将产生一个高电平输出脉冲,其宽度约等于时钟的一个整周期。出现溢出或下溢情况时,脉冲时钟输出将产生一个低电平输出脉冲,其宽度等于时钟输入的低电平部分。若使用并行时钟脉冲,则计数器的级联方式是把脉冲时钟输出送到下一级计数器的使能输入;若使用并行使能,则级联方法是把脉冲时钟输出送到下一级计数器的时钟输入。高速应用时,可用最大/最小计数输出进行超前进位。


(工作)方式选择表脉冲时钟输出真值表
| 输 | 入 | 工作模式 | ||
| 置数 | 使能 | 加/减 | 时钟 CLK | |
| H | L | L | ↑ | 加计数 |
| H | L | H | ↑ | 减计数 |
| L | × | × | × | 预置(置数) |
| H | H | × | × | 保持(不变) |
| H | H | × | × | 保持(不变) |
使能最大/最小#时钟脉冲时钟
MAX/MIN CLK
L H
H ××

H × L×
H
#:最大/最小输出是由内部产生的
H=高电平 L=低电平 ×=不定(高或低电平) ↑=由“低”→“高”电平的跃变
=低电平脉冲
| 符号 | 参数名称 | 74LS191 | 54LS191 | 单位 | |||||
|---|---|---|---|---|---|---|---|---|---|
| 最小 | 典型 | 最大 | 最小 | 典型 | 最大 | ||||
| Vcc | 电源电压 | 4.75 | 5 | 5.25 | 4.5 | 5 | 5.5 | V | |
| VIH | 输入高电平电压 | 2.0 | 2.0 | V | |||||
| VIL | 输入低电平电压 | 0.8 | 0.7 | V | |||||
| IOH | 输出高电平电流 | -400 | -400 | μA | |||||
| IOL | 输出低电平电流 | 8 | 4 | mA | |||||
| fCK | 时钟频率 | 0 | 20 | 0 | 20 | MHz | |||
| tW | 脉冲宽度 | 时钟 | 25 | 25 | ns | ||||
| 置数 | 35 | 35 | |||||||
| tsu | 建立时间 | 数据 | 20 | 20 | ns | ||||
| 置数无效态 | 30 | 30 | |||||||
| th | 保持时间 | 数据 | 5 | 5 | ns | ||||
| 使能 | 0 | 0 | |||||||
| ten | 计数使能时间(注) | 40 | 40 | ns | |||||
| TA | 工作环境温度 | -40 | 85 | -55 | 125 | ℃ | |||
注:最小计数使能时间是紧接时钟脉冲上升沿保证计数的时间,此时计数使能输入必须是低电平。
电 性 能(除特别说明外,均为全温度范围)
| 符号 | 参数名称 | 测试条件 | 74LS191 | 54LS191 | 单位 | |||||
|---|---|---|---|---|---|---|---|---|---|---|
| 最小 | 典型 | 最大 | 最小 | 典型 | 最大 | |||||
| VIK | 输入钳位电压 | Vcc=最小 II =-18mA | -1.5 | -1.5 | V | |||||
| VOH | 输出高电平电压 | Vcc=最小 VIL =最大 VIH=2V IOH =最大 | 2.7 | 2.5 | 3.4 | V | ||||
| VOL | 输出低电平电压 | Vcc=最小 VIL=最大 VIH=2V IOL=最大 | 0.5 | 0.25 | 0.4 | V | ||||
| II | 输入电流 (最大输入电压时 ) | Vcc=最大 VI=7V | 使能 | 0.3 | 0.3 | mA | ||||
| 其它 | 0.1 | 0.1 | ||||||||
| IIH | 输入高电平电流 | Vcc=最大 VI=2.7V | 使能 | 60 | 60 | μA | ||||
| 其它 | 20 | 20 | ||||||||
| IIL | 输入低电平电流 | Vcc=最大 VI=0.4V | 使能 | -1.2 | -1.2 | mA | ||||
| 其它 | -0.4 | -0.4 | ||||||||
| IOS | 输出短路电流 | Vcc=最大 VO=0V | -20 | -100 | -20 | -100 | mA | |||
| ICC | 电源电流 | Vcc=最大(注) | 35 | 20 | 35 | mA | ||||
注:测 Icc时,所有输出开路,所有输入接地。所有典型值均在 Vcc=5.0V, TA=25℃下测量得出。
| 符号 | 参数名称 | 从(输入) | 到(输出) | 测试条件 | 参数值 | 单位 | ||
|---|---|---|---|---|---|---|---|---|
| 最小 | 典型 | 最大 | ||||||
| fmax | 最大时钟频率 | 20 | 25 | MHz | ||||
| tPLH | 传输延迟时间 | 置数 | QA、QB、 | 22 | 33 | ns | ||
| tPHL | 传输延迟时间 | QC、QD | 33 | 50 | ||||
| tPLH | 传输延迟时间 | 数据A、B、 | QA、QB、 | 20 | 32 | ns | ||
| tPHL | 传输延迟时间 | C、D | QC、QD | 27 | 40 | |||
| tPLH | 传输延迟时间 | 时钟 CLK | 脉冲时钟 | 13 | 20 | ns | ||
| tPHL | 传输延迟时间 | ![]() |
CL=15pF | 16 | 24 | |||
| tPLH | 传输延迟时间 | 时钟 CLK | QA、QB、 | RL=2kΩ | 16 | 24 | ns | |
| tPHL | 传输延迟时间 | QC、QD | 24 | 36 | ||||
| tPLH | 传输延迟时间 | 时钟 CLK | 最大/最小 | 28 | 42 | ns | ||
| tPHL | 传输延迟时间 | MAX/MIN | 37 | 52 | ||||
| tPLH | 传输延迟时间 | 脉冲时钟 | 30 | 45 | ns | |||
| tPHL | 传输延迟时间 | 加/减 | ![]() |
30 | 45 | |||
| tPLH | 传输延迟时间 | 最大/最小 | 21 | 33 | ns | |||
| tPHL | 传输延迟时间 | 加/减 | MAX/MIN | 22 | 33 | |||
| tPLH | 传输延迟时间 | 脉冲时钟 | 21 | 33 | ns | |||
| tPHL | 传输延迟时间 | 使能 | ![]() |
22 | 33 |