外引线排列图

说明:
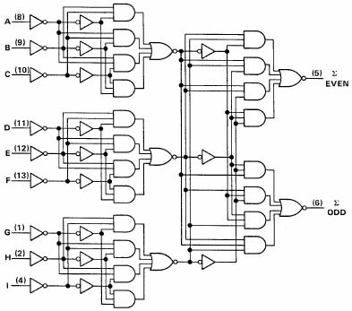
本电路是通用单片 9位奇偶发生器/校验器,它利用了肖特基钳位 TTL工艺的高性能电路,该电路有奇偶输出,既可作奇数运算、亦可做偶数运算。通过级联方法,具有很容易扩展字长的能力。
LS系列的奇偶发生器/校验器使设计者在降低功耗和提高性能二者之间得到兼顾。本电路可用来提高大多数采用 LS180奇偶发生器/校验器系统的性能。 LS280没有扩展器输入端,相应的功能是由管脚 4和空管脚 3所提供的。这就允许 LS280去取代现有设计中的 LS180,即使 LS280同现有的 LS180混用,亦可产生同样的功能。
本电路完全同大多数的其它 TTL和 DTL电路相容。输入端都是缓冲的,这就降低了驱动 LS系列标准负载的要求。
推荐工作条件
| 符号 | 参数名称 | 74LS280 | 54LS280 | 单位 | ||||
|---|---|---|---|---|---|---|---|---|
| 最小 | 典型 | 最大 | 最小 | 典型 | 最大 | |||
| Vcc | 电源电压 | 4.75 | 5 | 5.25 | 4.5 | 5 | 5.5 | V |
| VIH | 输入高电平电压 | 2.0 | 2.0 | V | ||||
| VIL | 输入低电平电压 | 0.8 | 0.7 | V | ||||
| IOH | 输出高电平电流 | -0.4 | -0.4 | mA | ||||
| IOL | 输出低电平电流 | 8 | 4 | mA | ||||
| TA | 工作环境温度 | -40 | 85 | -55 | 125 | ℃ | ||
电 性 能:(除特别说明外,均为全温度范围)
| 符号 | 参数名称 | 测试条件 | 74LS280 | 54LS280 | 单位 | ||||
|---|---|---|---|---|---|---|---|---|---|
| 最小 | 典型 | 最大 | 最小 | 典型 | 最大 | ||||
| VIK | 输入钳位电压 | Vcc=最小 II =-18mA | -1.5 | -1.5 | V | ||||
| VOH | 输出高电平电压 | Vcc=最小 VIL=最大 VIH=2V IOH=最大 | 2.7 | 2.5 | 3.4 | V | |||
| VOL | 输出低电平电压 | Vcc=最小 VIL=最大 VIH=2V IOL =最大 | 0.5 | 0.25 | 0.4 | V | |||
| II | 输入电流 (最大输入电压时 ) | Vcc=最大 VI=7V | 0.1 | 0.1 | mA | ||||
| IIH | 输入高电平电流 | Vcc=最大 VI=2.7V | 20 | 20 | μA | ||||
| IIL | 输入低电平电流 | Vcc=最大 VI=0.4V | -0.4 | -0.4 | mA | ||||
| IOS | 输出短路电流 | Vcc=最大 VO=0V | -20 | -100 | -20 | -100 | mA | ||
| ICC | 电源电流 | Vcc=最大(注) | 27 | 16 | 27 | mA | |||
注:Icc在全部输出端开路,所有输入端接地下测量。所有典型值均在 Vcc=5.0V, TA=25℃下测量得出。交流(开关)参数:Vcc=5.0V, TA=25℃
| 符号 | 参数名称 | 从(输入) | 到(输出) | 测试条件 | 参数值 | 单位 | ||
|---|---|---|---|---|---|---|---|---|
| 最小 | 典型 | 最大 | ||||||
| tPLH | 传输延迟时间 | ∑偶数 | 33 | 50 | ns | |||
| tPHL | 传输延迟时间 | 数据 | CL=15pF 2KΩ RL= | 29 | 45 | |||
| tPLH | 传输延迟时间 | ∑奇数 | 23 | 35 | ns | |||
| tPHL | 传输延迟时间 | 31 | 50 | |||||