54LS290 / 74LS290 典型参数:f工作频率=42MHz Pd=45mW
外引线排列图

NC(空脚)
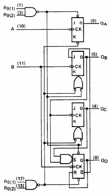
说明:本电路是由 4个主从触发器和用作除 2计数器及计数周期长度为除 5的 3
位 2进制计数器所用的附加选通所组成。本电路有选通的零复位和置 9输入。为了利用本计数器的最大计数长度(十进制),可将 B输入同 QA输出连接,
输入计数脉冲可加到输入 A上,此时输出就如相应的功能表上所要求的那样。 LS290可以获得对称的十分频计数,办法是将 QD输出接到 A输入端,并把输入计数脉冲加到 B输入端,在 QA输出端处产生对称的十分频方波。
H=高电平 L=低电平 ×=不定
BCD计数顺序(注 A5-2进制计数顺序(注 B
| 计数 | 输出 | ||
|---|---|---|---|
| QD | QC QB | QA | |
| 0 | L | L L | L |
| 1 | L | L L | H |
| 2 | L | L H | L |
| 3 | L | L H | H |
| 4 | L | H L | L |
| 5 | L | H L | H |
| 6 | L | H H | L |
| 7 | L | H H | H |
| 8 | H | L L | L |
| 9 | H | L L | H |
| 计数 | 输出 | ||
|---|---|---|---|
| QA | QD QC | QB | |
| 0 | L | L L | L |
| 1 | L | L L | H |
| 2 | L | L H | L |
| 3 | L | L H | H |
| 4 | L | H L | L |
| 5 | H | L L | L |
| 6 | H | L L | H |
| 7 | H | L H | L |
| 8 | H | L H | H |
| 9 | H | H L | L |
注 A:对于 BCD(十进)计数,输出 QA连到输入 B计数注 B:对于5-2进制计数,输出 QD连到输入 A计数
推荐工作条件
| 符号 | 参数名称 | 74LS290 | 54LS290 | 单位 | |||||
|---|---|---|---|---|---|---|---|---|---|
| 最小 | 典型 | 最大 | 最小 | 典型 | 最大 | ||||
| Vcc | 电源电压 | 4.75 | 5 | 5.25 | 4.5 | 5 | 5.5 | V | |
| VIH | 输入高电平电压 | 2.0 | 2.0 | V | |||||
| VIL | 输入低电平电压 | 0.8 | 0.7 | V | |||||
| IOH | 输出高电平电流 | -400 | -400 | μA | |||||
| IOL | 输出低电平电流 | 8 | 4 | mA | |||||
| fCK | 时钟频率 | A输入 | 0 | 32 | 0 | 32 | MHz | ||
| B输入 | 0 | 16 | 0 | 16 | |||||
| A输入 | 15 | 15 | ns | ||||||
| tW | 脉冲宽度 | B输入 | 30 | 30 | |||||
| 复位输入 | 15 | 15 | |||||||
| th | 复位无效态保持时间 | 25 | 25 | ns | |||||
| TA | 工作环境温度 | -40 | 85 | -55 | 125 | ℃ | |||
电 性 能:(除特别说明外,均为全温度范围)
| 符号 | 参数名称 | 测试条件 | 74LS290 | 54LS290 | 单位 | ||||||
|---|---|---|---|---|---|---|---|---|---|---|---|
| 最小 | 典型 | 最大 | 最小 | 典型 | 最大 | ||||||
| VIK | 输入钳位电压 | Vcc=最小 II=-18mA | -1.5 | -1.5 | V | ||||||
| VOH | 输出高电平电压 | Vcc=最小 VIL =最大 VIH=2V IOH =最大 | 2.7 | 2.5 | 3.4 | V | |||||
| VOL | 输出低电平电压(注 2) | Vcc=最小 VIL =最大 VIH=2V IOL =最大 | 0.5 | 0.25 | 0.4 | V | |||||
| 输入电流 | Vcc=最大 VI=7V | 任一复位 | 0.1 | 0.1 | mA | ||||||
| II | (最大输入 | Vcc=最大 VI=5.5V | A输入 | 0.2 | 0.2 | ||||||
| 电压时) | B输入 | 0.4 | 0.4 | ||||||||
| Vcc=最大 | 任一复位 | 20 | 20 | μA | |||||||
| IIH | 输入高电平电流 | VI=2.7V | A输入 | 40 | 40 | ||||||
| B输入 | 80 | 80 | |||||||||
| Vcc=最大 | 任一复位 | -0.4 | -0.4 | mA | |||||||
| IIL | 输入低电平电流 | VI=0.4V | A输入 | -2.4 | -2.4 | ||||||
| B输入 | -3.2 | -3.2 | |||||||||
| IOS | 输出短路电流 | Vcc=最大 VO=0V | -20 | -100 | -20 | -100 | mA | ||||
| ICC | 电源电流 | Vcc=最大(注 1) | 15 | 9 | 15 | mA | |||||
注 1:测 Icc时,所有输出开路,二个 R0输入瞬时接 4.5V,然后接地,其它输入端接地。注 2:QA输出的测试条件是规定的 IOL加上 B输入 IIL的极限值。这样可以驱动 B输入,并保持全扇出能力。
所有典型值均在 Vcc=5.0V, TA=25℃下测量得出。交流(开关)参数:Vcc=5.0V, TA=25℃
| 符号 | 参数名称 | 从(输入) | 到(输出) | 测试条件 | 参数值 | 单位 | ||
|---|---|---|---|---|---|---|---|---|
| 最小 | 典型 | 最大 | ||||||
| fmax | 最大时钟频率 | A | QA | 32 | 42 | MHz | ||
| B | QB | 16 | ||||||
| tPLH | 传输延迟时间 | A | QA | 10 | 16 | ns | ||
| tPHL | 传输延迟时间 | 12 | 18 | |||||
| tPLH | 传输延迟时间 | A | QD | 32 | 48 | |||
| tPHL | 传输延迟时间 | 34 | 50 | |||||
| tPLH | 传输延迟时间 | B | QB | CL=15pF | 10 | 16 | ||
| tPHL | 传输延迟时间 | 14 | 21 | |||||
| tPLH | 传输延迟时间 | B | QC | RL=2KΩ | 21 | 32 | ||
| tPHL | 传输延迟时间 | 23 | 35 | |||||
| tPLH | 传输延迟时间 | B | QD | 21 | 32 | |||
| tPHL | 传输延迟时间 | 23 | 35 | |||||
| tPHL | 传输延迟时间 | R0(置零)任一 Q | 26 | 40 | ||||
| tPLH | 传输延迟时间 | R9(置 9) | QA、QD | 20 | 30 | |||
| tPHL | 传输延迟时间 | QB、QC | 26 | 40 | ||||